▪ 石油/ 石化/ 化工
精确测量管道和贮罐的压力和液位。
▪ 电力/ 城市煤气/ 其它公司事业
要求高稳定和高精度的压力、液位测量等场所。
▪ 纸浆和造纸
用于要求耐化学液体、耐腐蚀性液体的压力、液位测量场所。
▪ 钢铁/ 有色金属/ 陶瓷
用于在严格控制压力、液位等指标条件下,要求稳定测量的场所。
▪ 机械装备/ 造船
用于在严格控制压力、液位等指标条件下,要求稳定测量的场所。
DSP600系列压力/差压变送器采用先进的MEMS 技术制成的硅传感器芯片,实现了国际领先的过压性能,也确保了信号的优异稳定性。内嵌激光调阻补偿信号处理模块温度补偿,可在大范围内温度下提供极高的测量精度和稳定性。
DSP600系列差压(流量)变送器能准确的测量差压,并把它转换成4~20mA DC的输出信号。现场可通过三按键本地操作,或通用手操器、组态软件远程操作,在不影响4~20mA DC的输出信号的同时,进行实时显示与组态。
1.高准确度
差压(流量)变送器在0.1~6kPa的测量范围内,可进行高准确度测量。
标准校验量程精度:±0.075%正负零点迁移,无需进行线性度调整。
2.优异的环境适应性
智能静压补偿和温度补偿,保护变送器不受温度、静压与过压的影响,将现场的综合测量误差控制到最小
3.灵活的量程压缩
微量程(0~6kPa)量程比:20:1中量程量程比:100:1
4.优异的操作性和使用便利性
▪ 备有5位带背光LCD数字显示器
▪ 多种显示功能(Pa、kPa、MPa、bar、mbar、%、 psi、mmH2o)
▪ 内置三按键快捷操作就地调整功能
▪ 备有各种抗腐蚀材料
▪ 全面自诊断功能
▪ 被测流体:液体、气体、蒸汽
▪ 测量范围:
|
量程 编码 |
测量范围 |
|
量程 编码 |
测量范围 |
||
|
C |
量程 |
0-50~300Pa |
M |
量程 |
0-117.0~700KPa |
|
|
范围 |
-300~300Pa |
范围 |
-700~700KPa |
|||
|
D
|
量程 |
0-0.125~1.5KPa |
N |
量程 |
0-345~2000KPa |
|
|
范围 |
-1.5~1.5KPa |
范围 |
-2000~2000KPa |
|||
|
E |
量程 |
0-1.3~6KPa |
V |
量程 |
-1170~7000KPa |
|
|
范围 |
-6~6KPa |
范围 |
-7000~7000KPa |
|||
|
H |
量程 |
0-16.2~40KPa |
X |
量程 |
0-3450~20000KPa |
|
|
范围 |
-40~40KPa |
范围 |
-20000~20000KPa |
|||
|
L |
量程 |
0-31.1~200KPa |
|
|
|
|
|
范围 |
-200~200KPa |
|
|
|||
▪ 准确度:0.075%, 0.1%, 0.2%
▪量程比影响:
|
准 确 度 |
参考精度 |
|
0.075% |
▪ TD 1:1...TD 10:1 =±0.075% ▪ TD>10:1 =±0.025×(1+0.2 x TD)% |
|
0.1% |
▪ TD 1:1...TD 10:1 =±0.1% ▪ TD>10:1 =±0.05×(1+0.1 x TD)% |
|
0.2% |
▪ TD 1:1...TD 10:1 =±0.2% ▪ TD>10:1 =±0.1×(1+0.1 x TD)% |
*TD- 量程比
▪ 环境温度影响:
|
准 确 度 |
参考精度 |
|
0.075% |
▪ 零点误差为最大量程的±0.15/28℃ ▪ 包括量程和零点的总误差,为最大量 程的±0.25/28℃ |
|
0.1% |
▪ 零点误差为最大量程的±0.2/28℃ ▪ 包括量程和零点的总误差,为最大量 程的±0.3/28℃ |
|
0.2% |
▪ 零点误差为最大量程的±0.3/28℃ ▪ 包括量程和零点的总误差,为最大量 程的±0.35/28℃ |
▪ 稳定性:
|
准 确 度 |
参考精度 |
|
0.075% |
36个月误差为最大量程的±0.2% |
|
0.1% |
36个月误差为最大量程的±0.25% |
|
0.2% |
36个月误差为最大量程的±0.35% |
▪ 电源影响:±0.005% /1V
▪ 安装位置影响:与膜片面平行方向的安装位置变化不会造成零漂影响,若安装位置与膜片面超过90°的变化,在0.4KPa 范围内的零漂可通过调零校正
▪ 响应时间:90ms
▪ 阻尼:时间常数可在0~99.9 秒内调整
▪ 滤波常数:可在0~160uA 内调整
▪ 自稳系数:可在0~2% 内调整
▪ 工作静压:
|
量程编码 |
工作静压 |
|
量程编码 |
工作静压 |
|
C |
1.0MPa |
M |
10MPa |
|
|
D |
1.0MPa |
N |
10MPa |
|
|
E |
4.0MPa |
V |
10MPa |
|
|
H |
10MPa |
X |
25MPa |
|
|
L |
10MPa |
|
|
▪ 输出信号:DC4~20mA+HAR T 协议
▪ 容许负载电阻:0~600Ω(DC 24V 时)
注:与手持通信器进行通讯时,需要一个标准(250Ω)的负载电阻。
▪电源:
|
一般用途 |
DC10.5~45V |
|
本安防爆时 |
DC10.5~26V |
▪
通信线路条件:线路长度:最长2km(0.75~1.25mm2控制仪表用电缆,超过1km时使用双绞电缆)
▪ 负载电阻:250~600Ω(DC 24V,包含电缆电阻)
▪ 负载电容:0.55mF以下
▪ 负载电感:3.3mH以下
▪ 动力线的间隔:15cm以上(请避免平行配线)
▪ 饱和电流:上限 20.8mA 下限 3.8mA
▪ 报警电流:上限 22.8mA 下限 3.6mA(模式可设置)
▪ EMC适用标准:EN1326-1:2006
▪ 调整功能:零点、满量程点可从通过三按键进行带就地调整或者可利用组态软件进行远程调整
▪ 零点迁移:可在最大量程的-20%到+20%的范围内迁移
▪ 输出方式:线性输出、平方根输出(可通过组态软件进行远程调整)
▪ 环境温度:-40~+85℃(充灌氟油时:-10~+60℃)
▪ 贮存温度:-40~+90℃
▪ 耐候性:DIN40040GPC
▪ 接液部材质:
隔离膜片:SUS316L、钛TA1、钽Ta
过程连接:SUS304、SUS316、钛TA1
▪ 变送器外壳:低铜铝压铸件+ 聚氨酯涂装
▪ 变送器外壳盖:铝压铸件+ 聚氨酯涂装
▪ 密封等级:IP67
▪ 铭牌: SUS304
▪ 填充 : 硅油油,氟油(可选)、橄榄油(可选)
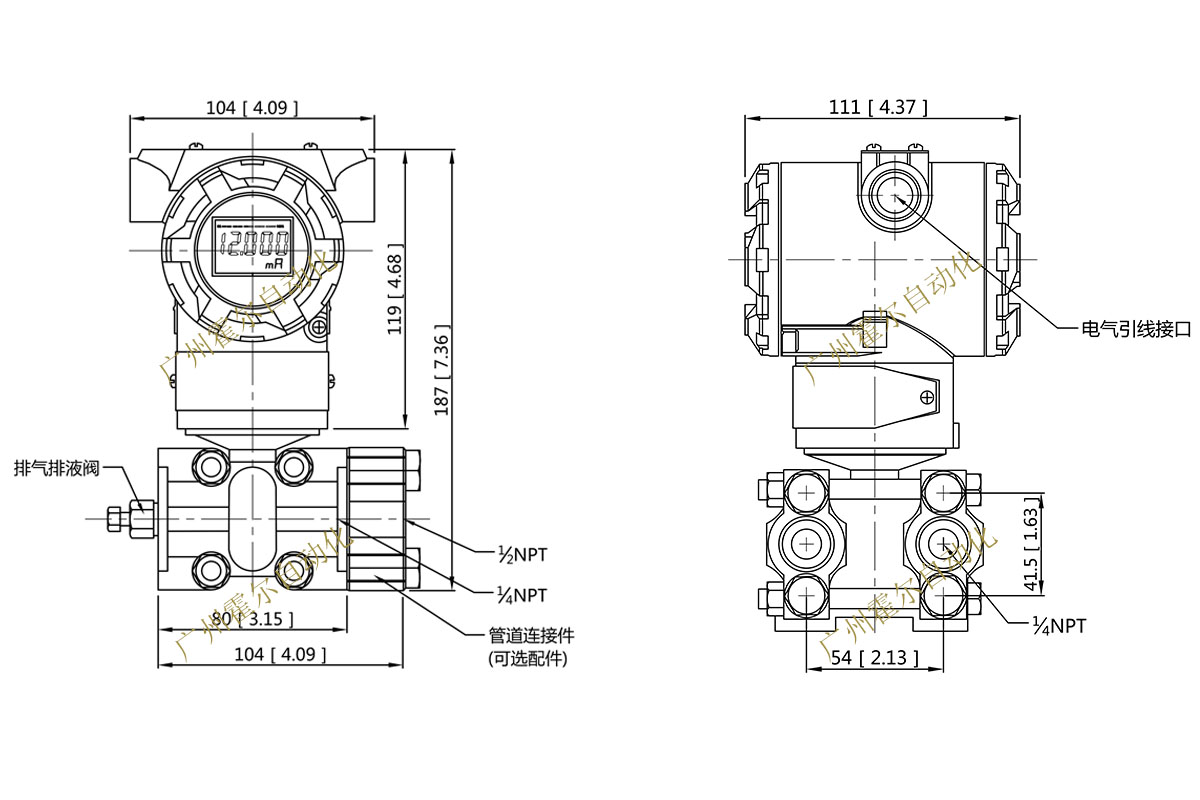
▪ 外形尺寸:根据外形图
▪ 重量:约2.0~2.7kg(本体)
▪ 电缆引入口:G 1/2,1/2-14NPT,M20×1.5
▪ 外部端子:M 3 螺钉
▪ 过程连接口:M20x1.5、1/2-14NPT、G1/2等等
▪ 安装方法:在50mm(2-inch) 管道上用U 型螺栓安装,或者安装于墙面(根据型号规格)