▪ 石油/ 石化/ 化工
精确测量管道和贮罐的压力和液位。
▪ 电力/ 城市煤气/ 其它公司事业
要求高稳定和高精度的压力、液位测量等场所。
▪ 纸浆和造纸
用于要求耐化学液体、耐腐蚀性液体的压力、液位测量场所。
▪ 钢铁/ 有色金属/ 陶瓷
用于在严格控制压力、液位等指标条件下,要求稳定测量的场所。
▪ 机械装备/ 造船
用于在严格控制压力、液位等指标条件下,要求稳定测量的场所。
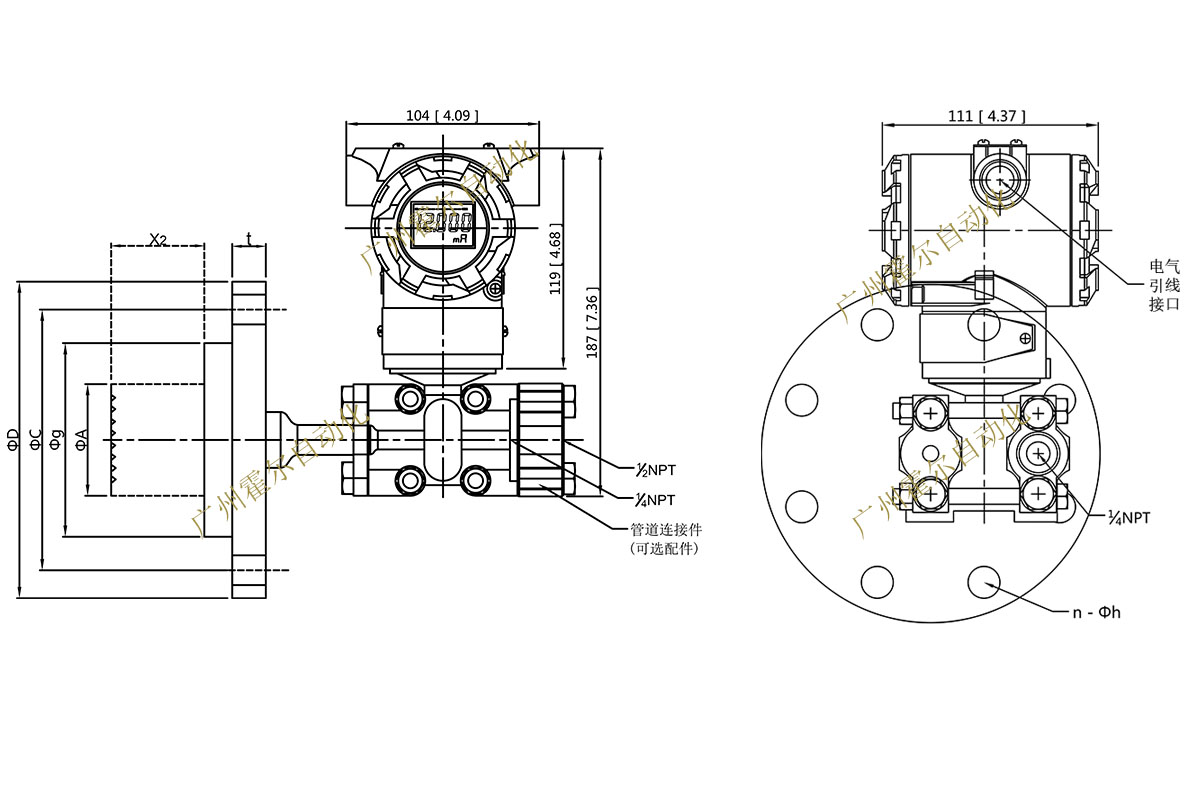
DSP630LT法兰安装式差压变送器用于测量含有固体和沉淀性液体和蒸汽的液位和密度,然后转变成4~20mA DC的电源信号输出。DSP630LT也可以与手操器相互通讯,通过它们进行设定、监控等。
DSP630LT法兰安装式差压变送器的安装法兰标准有JIS、ANSI、GB/T9123.1-2000、DIN等。接液膜片材料有316L、哈氏C-276、蒙耐尔、钽等。
1.高准确度
差压变送器在0.5~2000kPa 的测量范围内,可进行高准确度测量。
标准校验量程精度:±0.075%
正负零点迁移,无需进行线性度调整
2.优异的环境适应性
智能静压补偿和温度补偿,保护变送器不受温度、静压与过压的影响,将现场的综合测量误差控制到最小
3.灵活的量程压缩
程量程比:100:1
4.优异的操作性和使用便利性
▪备有5位带背光LCD数字显示器
▪多种显示功能(Pa、kPa、MPa、bar、mbar、%psi、mmH2o)
▪内置三按键快捷操作就地调整功能
▪备有各种抗腐蚀材料
▪全面自诊断功能
法兰尺寸:100mm,DN100[4inch] 单位:mm[inch]
|
法兰公称通径与规格 |
ΦD |
ΦC |
Φg |
Φd |
t |
螺栓孔 |
|
|
数量 |
直径 |
||||||
|
JIS 10K |
210[8.27] |
175[6.89] |
155[6.10] |
81[3.19] |
18[0.71] |
8 |
19[0.75] |
|
JIS 20K |
225[8.86] |
185[7.28] |
155[6.10] |
81[3.19] |
24[0.94] |
8 |
23[0.91] |
|
ANSI 150 |
228.6[9.00] |
190.5[7.50] |
155[6.10] |
81[3.19] |
23.9[0.94] |
8 |
19.1[0.75] |
|
ANSI 300 |
254[10.00] |
200[7.87] |
155[6.10] |
81[3.19] |
31.8[1.25] |
8 |
22.4[0.88] |
|
DIN PN10/16 |
220[8.66] |
180[7.09] |
155[6.10] |
81[3.19] |
20[0.79] |
8 |
18[0.71] |
|
DIN PN25/40 |
235[9.25] |
190[7.50] |
155[6.10] |
81[3.19] |
24[0.94] |
8 |
22[0.87] |
|
GB PN10/16 |
220[8.66] |
180[7.09] |
155[6.10] |
81[3.19] |
22[0.87] |
8 |
18[0.71] |
|
GB PN25/40 |
235[9.25] |
190[7.50] |
155[6.10] |
81[3.19] |
24[0.94] |
8 |
22[0.87] |
法兰尺寸:80mm,DN80[3inch] 单位:mm[inch]
|
法兰公称通径与规格 |
ΦD |
ΦC |
Φg |
Φd |
t |
螺栓孔 |
|
|
数量 |
直径 |
||||||
|
JIS 10K |
185[7.28] |
150[5.91] |
130[3.12] |
65[2.56] |
18[0.71] |
8 |
19[0.75] |
|
JIS 20K |
200[7.87] |
160[6.30] |
130[3.12] |
65[2.56] |
24[0.94] |
8 |
23[0.91] |
|
ANSI 150 |
190.5[7.50] |
152.4[6.00] |
130[3.12] |
65[2.56] |
23.9[0.94] |
4 |
19[0.75] |
|
ANSI 300 |
209.6[8.25] |
168.1[6.62] |
130[3.12] |
65[2.56] |
28.5[1.12] |
8 |
22.4[0.88] |
|
DIN PN10/16 |
200[7.87] |
160[6.30] |
130[3.12] |
65[2.56] |
20[0.79] |
8 |
18[0.71] |
|
DIN PN25/40 |
200[7.87] |
160[6.30] |
130[3.12] |
65[2.56] |
24[0.94] |
8 |
18[0.71] |
|
GB PN10/16 |
200[7.87] |
160[6.30] |
130[3.12] |
65[2.56] |
20[0.79] |
8 |
18[0.71] |
|
GB PN25/40 |
200[7.87] |
160[6.30] |
130[3.12] |
65[2.56] |
24[0.94] |
8 |
18[0.71] |
法兰尺寸:50mm,DN50[2inch] 单位:mm[inch]
|
法兰公称通径与规格 |
ΦD |
ΦC |
Φg |
Φd |
t |
螺栓孔 |
|
|
数量 |
直径 |
||||||
|
JIS 10K |
155[6.10] |
120[4.72] |
100[3.94] |
42[1.65] |
16[0.63] |
4 |
19[0.75] |
|
JIS 20K |
155[6.10] |
120[4.72] |
100[3.94] |
42[1.65] |
18[0.71] |
8 |
19[0.75] |
|
ANSI 150 |
152.4[5.92] |
120[4.72] |
100[3.94] |
42[1.65] |
19.1[0.75] |
4 |
19[0.75] |
|
ANSI 300 |
165.1[6.50] |
127[5.00] |
100[3.94] |
42[1.65] |
22.4[0.88] |
8 |
19[0.75] |
|
DIN PN10/16 |
165[6.50] |
125[4.92] |
100[3.94] |
42[1.65] |
18[0.71] |
4 |
18[0.71] |
|
DIN PN25/40 |
165[6.50] |
125[4.92] |
100[3.94] |
42[1.65] |
20[0.79] |
4 |
18[0.71] |
|
GB PN10/16 |
165[6.50] |
125[4.92] |
100[3.94] |
42[1.65] |
20[0.79] |
4 |
18[0.71] |
|
GB PN25/40 |
165[6.50] |
125[4.92] |
100[3.94] |
42[1.65] |
20[0.79] |
4 |
18[0.71] |
法兰尺寸:100mm,DN100[4inch] 单位:mm[inch]
|
法兰公称通径与规格 |
ΦD |
ΦC |
Φg |
ΦA |
t |
螺栓孔 |
|
|
数量 |
直径 |
||||||
|
JIS 10K |
210[8.27] |
175[6.89] |
155[6.10] |
96[3.78] |
18[0.71] |
8 |
19[0.75] |
|
JIS 20K |
225[8.86] |
185[7.28] |
155[6.10] |
96[3.78] |
24[0.94] |
8 |
23[0.91] |
|
ANSI 150 |
228.6[9.00] |
190.5[7.50] |
155[6.10] |
96[3.78] |
23.9[0.94] |
8 |
19.1[0.75] |
|
ANSI 300 |
254[10.00] |
200[7.87] |
155[6.10] |
96[3.78] |
31.8[1.25] |
8 |
22.4[0.88] |
|
DIN PN10/16 |
220[8.66] |
180[7.09] |
155[6.10] |
96[3.78] |
20[0.79] |
8 |
18[0.71] |
|
DIN PN25/40 |
235[9.25] |
190[7.50] |
155[6.10] |
96[3.78] |
24[0.94] |
8 |
22[0.87] |
|
GB PN10/16 |
220[8.66] |
180[7.09] |
155[6.10] |
96[3.78] |
22[0.87] |
8 |
18[0.71] |
|
GB PN25/40 |
235[9.25] |
190[7.50] |
155[6.10] |
96[3.78] |
24[0.94] |
8 |
22[0.87] |
法兰尺寸:80mm,DN80[3inch] 单位:mm[inch]
|
法兰公称通径与规格 |
ΦD |
ΦC |
Φg |
ΦA |
t |
螺栓孔 |
|
|
数量 |
直径 |
||||||
|
JIS 10K |
185[7.28] |
150[5.91] |
130[3.12] |
71[2.80] |
18[0.71] |
8 |
19[0.75] |
|
JIS 20K |
200[7.87] |
160[6.30] |
130[3.12] |
71[2.80] |
24[0.94] |
8 |
23[0.91] |
|
ANSI 150 |
190.5[7.50] |
152.4[6.00] |
130[3.12] |
71[2.80] |
23.9[0.94] |
4 |
19[0.75] |
|
ANSI 300 |
209.6[8.25] |
168.1[6.62] |
130[3.12] |
71[2.80] |
28.5[1.12] |
8 |
22.4[0.88] |
|
DIN PN10/16 |
200[7.87] |
160[6.30] |
130[3.12] |
71[2.80] |
20[0.79] |
8 |
18[0.71] |
|
DIN PN25/40 |
200[7.87] |
160[6.30] |
130[3.12] |
71[2.80] |
24[0.94] |
8 |
18[0.71] |
|
GB PN10/16 |
200[7.87] |
160[6.30] |
130[3.12] |
71[2.80] |
20[0.79] |
8 |
18[0.71] |
|
GB PN25/40 |
200[7.87] |
160[6.30] |
130[3.12] |
71[2.80] |
24[0.94] |
8 |
18[0.71] |
法兰尺寸:50mm,DN50[2inch] 单位:mm[inch]
|
法兰公称通径与规格 |
ΦD |
ΦC |
Φg |
ΦA |
t |
螺栓孔 |
|
|
数量 |
直径 |
||||||
|
JIS 10K |
155[6.10] |
120[4.72] |
100[3.94] |
42[1.65] |
16[0.63] |
4 |
19[0.75] |
|
JIS 20K |
155[6.10] |
120[4.72] |
100[3.94] |
42[1.65] |
18[0.71] |
8 |
19[0.75] |
|
ANSI 150 |
152.4[5.92] |
120[4.72] |
100[3.94] |
42[1.65] |
19.1[0.75] |
4 |
19[0.75] |
|
ANSI 300 |
165.1[6.50] |
127[5.00] |
100[3.94] |
42[1.65] |
22.4[0.88] |
8 |
19[0.75] |
|
DIN PN10/16 |
165[6.50] |
125[4.92] |
100[3.94] |
42[1.65] |
18[0.71] |
4 |
18[0.71] |
|
DIN PN25/40 |
165[6.50] |
125[4.92] |
100[3.94] |
42[1.65] |
20[0.79] |
4 |
18[0.71] |
|
GB PN10/16 |
165[6.50] |
125[4.92] |
100[3.94] |
42[1.65] |
20[0.79] |
4 |
18[0.71] |
|
GB PN25/40 |
165[6.50] |
125[4.92] |
100[3.94] |
42[1.65] |
20[0.79] |
4 |
18[0.71] |
|
膜片凸出长度 |
X2 |
|
2 |
50[1.97] |
|
4 |
100[3.94] |
|
6 |
150[5.91] |
▪ 被测流体:液体、气体、蒸汽
▪ 测量范围:
|
量程 编码 |
测量范围 |
|
量程 编码 |
测量范围 |
||
|
E |
量程 |
0-1.3~6KPa |
M |
量程 |
0-117.0~700KPa |
|
|
范围 |
-6~6KPa |
范围 |
-700~700KPa |
|||
|
H |
量程 |
0-16.2~40KPa |
N |
量程 |
0-345~2000KPa |
|
|
范围 |
-40~40KPa |
范围 |
-2000~2000KPa |
|||
|
L |
量程 |
0-31.1~200KPa |
V |
量程 |
-1170~7000KPa |
|
|
范围 |
-200~200KPa |
范围 |
-7000~7000KPa |
|||
▪ 工作静压:
|
量程编码 |
工作静压 |
|
量程编码 |
工作静压 |
|
E |
4.0MPa |
M |
10MPa |
|
|
H |
10MPa |
N |
10MPa |
|
|
L |
10MPa |
V |
10MPa |
▪ 输出信号:DC4~20mA+HAR T 协议
▪ 容许负载电阻:0~600Ω(DC 24V 时)
▪ 准确度:0.1%, 0.2%, 0.5%
▪ 量程比影响:
|
准 确 度 |
参考精度 |
|
0.1% |
▪ TD 1:1...TD 10:1 =±0.1% ▪ TD>10:1 =±0.05×(1+0.1 x TD)% |
|
0.2% |
▪ TD 1:1...TD 10:1 =±0.2% ▪ TD>10:1 =±0.1×(1+0.1 x TD)% |
|
0.5% |
▪ TD 1:1...TD 10:1 =±0.5% ▪ TD>10:1 =±0.25×(1+0.25 x TD)% |
*TD- 量程比
▪ 环境温度影响:
|
准 确 度 |
参考精度 |
|
0.1% |
▪ 零点误差为最大量程的±0.2/28℃ ▪ 包括量程和零点的总误差,为最大量 程的±0.3/28℃ |
|
0.2% |
▪ 零点误差为最大量程的±0.3/28℃ ▪ 包括量程和零点的总误差,为最大量 程的±0.35/28℃ |
|
0.5% |
▪ 零点误差为最大量程的±0.5/28℃ ▪ 包括量程和零点的总误差,为最大量 程的±0.55/28℃ |
▪ 稳定性:
|
准 确 度 |
参考精度 |
|
0.1% |
36个月误差为最大量程的±0.25% |
|
0.2% |
36个月误差为最大量程的±0.35% |
|
0.5% |
36个月误差为最大量程的±0.55% |
▪ 电源影响:±0.005% /1V
▪ 安装位置影响:与膜片面平行方向的安装位置变化不会造成零漂影响,若安装位置与膜片面
超过90°的变化,在0.4KPa 范围内的零漂可通过调零校正
▪ 响应时间:90ms
▪ 阻尼:时间常数可在0~99.9 秒内调整
▪ 滤波常数:可在0~160uA 内调整
▪ 自稳系数:可在0~2% 内调整
注:与手持通信器进行通讯时,需要一个标准(250Ω)的负载电阻。
▪ 电源:
|
一般用途 |
DC10.5~45V |
|
本安防爆 |
DC10.5~26V |
▪ 通信线路条件:线路长度:最长2km(0.75~1.25mm2控制仪表用电缆,超过1km时使用双绞电缆)
▪ 负载电阻:250~600Ω(DC 24V,包含电缆电阻)
▪ 负载电容:0.55mF以下
▪ 负载电感:3.3mH以下
▪ 动力线的间隔:15cm以上(请避免平行配线)
▪ 饱和电流:上限 20.8mA 下限 3.8mA
▪ 报警电流:上限 22.8mA 下限 3.6mA(模式可设置)
▪ EMC适用标准:EN1326-1:2006
▪ 调整功能:零点、满量程点可从通过三按键进行带就地调整或者可利用组态软件进行远程调整
▪ 零点迁移:可在最大量程的-20%到+20%的范围内迁移
▪ 输出方式:线性输出平方根输出(可通过组态软件进行远程调整)
▪ 环境温度:-40~+85℃(充灌氟油时:-10~+60℃)
▪ 贮存温度:-40~+90℃
▪ 耐候性:DIN40040GPC